- Ніпель з прямим переходом зовнішня різьба/зовнішня різьба з нержавіючої сталі SS316L.
- Робочий тиск до 20 бар.
- Робочі рідини: стиснене повітря, рідини сумісні з матеріалом виробу, олива.
Фітинг (ніпель) тип 6200

Опис
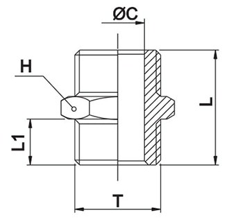
Розміри / Номер для замовлення

| Модель | T | L1 | L | Н | ØC (DN) |
| 62000-R01-R01 | R1/8 | 8,5 | 22,5 | 11 | 5,5 |
| 62000-R02-R02 | R1/4 | 11 | 27,5 | 14 | 7 |
| 62000-R03-R03 | R3/8 | 11 | 27,5 | 17 | 10 |
| 62000-R04-R04 | R1/2 | 14 | 34 | 22 | 12 |

