- Швидкороз'ємні з'єднання для стисненого повітря з простим підключенням та вимкненням, яке можна виконати однією рукою.
- Компактна та легка європейська серія KE куплунгів із профілем за стандартом Germany EU.
- Багато різьбових з'єднань для з'єднання різних типів пневматичних трубок та шлангів.
- Напрямок потоку робочого середовища через будь-який куплунг (переважно з'єднання трубок / обладнання перед підключенням штекера до роз'єму).
- Матеріал корпусу (муфти): нікельована сталь. Матеріал втулки (заглушки): нікельована сталь. Матеріал ущільнень: нітрил (NBR). Матеріал пружин/кульок: сталь/нержавіюча сталь. Матеріал заглушки: нікельована сталь.
- При подачі стисненого повітря до розетки (мама) потік повітря перекривається при під'єднанні штекера (тато) потік повітря проходить до споживача, при від'єднанні штекера (тато) повітря замикається на розетці (мама). Розетка виконує функцію повітряного замка.
- Області застосування: підключення пневмоінструменту; повітряні колектори / магістралі для монтажу переносних вузлів та елементів.
Швидкозйомні з'єднання KE серія

Швидкознімні з'єднання KE серія
Профіль / Пневматичний символ


Технічні характеристики
| Робоче середовище | Стиснене повітря, інертні гази, вакуум |
| Пропускна спроможність* (норм.л/хв) | 1700 |
| Робочий тиск (бар) | 16 |
| Температурний режим (°С) | от «-10°C» до «+80°C» |
| Умовний прохід (мм) | 7 |
| Тип різьби | G |
*виміряно при вхідному тиску 6 бар (p1) і перепад тиску p=1 бар.
Номер для замовлення

Номер для замовлення - Куплунг (розетка) із зовнішньою різьбою


| Модель | T | ØD | L | L1 | SW |
| KE-SM02 | G1/4 | 23 | 57 | 12 | 19 |
| KE-SM03 | G3/8 | 23 | 57 | 12 | 19 |
| KE-SM04 | G1/2 | 23 | 59 | 14 | 21 |
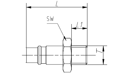
Номер для замовлення - Куплунг (розетка) з внутрішньою різьбою


| Модель | T | ØD | L | L1 | SW |
| KE-SF02 | G1/4 | 23 | 54 | 22 | 19 |
| KE-SF03 | G3/8 | 23 | 54 | 22 | 19 |
| KE-SF04 | G1/2 | 23 | 54 | 22 | 24 |
Заказной номер - Куплунг (розетка) штуцер под шланг


| Модель | ØH | ØD | L | L1 | SW |
| KE-SB6 | 6,35 мм | 23 | 65 | 20 | 19 |
| KE-SB8 | 8 мм | 23 | 65 | 20 | 19 |
| KE-SB10 | 10 мм | 23 | 65 | 20 | 19 |
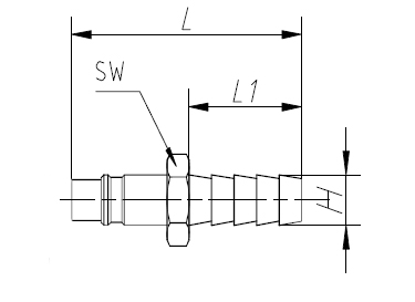
Номер для замовлення - Куплунг (розетка) із пружиною та накидною гайкою


| Модель | ØH під трубку | ØD | L | L1 | SW |
| KE-ST46 | 6 х 4 мм | 23 | 133 | 90 | 19 |
| KE-ST58 | 8 х 5 мм | 23 | 143 | 100 | 19 |
| KE-ST6510 | 10 х 6,5 мм | 23 | 148 | 105 | 19 |
| KE-ST812 | 12 х 8 мм | 23 | 153 | 110 | 19 |
*ØH — «6 х 4 мм» — имееться в виду трубка с наружным диаметром 6мм и внутренним 4мм. Посадка трубки идет как по наружному диаметру так и по внутреннему.
Номер для замовлення - Куплунг (штекер) із зовнішньою різьбою


| Модель | T | L | L1 | SW |
| KE-PM02 | G1/4 | 39 | 12 | 14 |
| KE-PM03 | G3/8 | 39 | 12 | 16 |
| KE-PM04 | G1/2 | 43 | 14 | 21 |
Номер для замовлення - Куплунг (штекер) з внутрішньою різьбою


| Модель | T | L | L1 | SW |
| KE-PF02 | G1/4 | 37 | 16 | 16 |
| KE-PF03 | G3/8 | 37 | 16 | 21 |
| KE-PF04 | G1/2 | 37 | 16,5 | 24 |
Заказной номер - Куплунг (штекер), штуцер под шланг


| Модель | H | L | L1 | SW |
| KE-PB6 | 6,35 мм | 46 | 20 | 12 |
| KE-PB8 | 8 мм | 46 | 20 | 21 |
| KE-PB10 | 10 мм | 47 | 20 | 13 |
Номер для замовлення - Куплунг (штекер) з пружиною та накидною гайкою


| Модель | ØH під трубку | L | L1 | SW |
| KE-PT46 | 6 х 4 мм | 119 | 90 | 14 |
| KE-PT58 | 8 х 5 мм | 129 | 100 | 14 |
| KE-PT6510 | 10 х 6,5 мм | 135 | 105 | 16 |
| KE-PT812 | 12 х 8 мм | 140 | 110 | 17 |
*ØH — «6 х 4 мм» — имееться в виду трубка с наружным диаметром 6мм и внутренним 4мм. Посадка трубки идет как по наружному диаметру так и по внутреннему.

